这是一款在学校使用的水控机,可用在教室饮水,宿舍洗澡等场合。在学生卡(IC卡)划分一个扇区,存储金额,刷卡开水阀,消费记录通过4G模块实时上传到后台。
1、 工作原理:
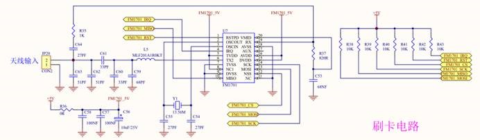
读卡芯片FM1701,MCU用MM32F0131,4G模块用有人WH-GM5。用TM1639驱动数码管。W25Q16JV用于远程升级和存储参数。
2、 功能说明
1、 上电,控制器通过4G模块发送模块IMEI编号,SIM卡号,版本号给后台,后台返回热水费率,冷水费率,计费模式,IC卡使用扇区,扇区密钥,日期时间给控制器。控制器更新时间,并把参数存储在内部FLASH中。
2、 控制器和后台没有数据通讯时,控制器每60S发送一次心跳包给后台。
3、 用户刷卡,如果第一次使用,控制器初始化用户卡。用户刷卡后,上传用户卡ID和卡金额给后台。开阀放水,并实时显示卡余额。用户卡拿开后,再次上传用户卡ID和余额给后台,生成消费记录。
4、 支持远程升级,升级程序放在后台,每次上电,程序判断控制器版本号和后台程序版本号是否一致,如果不一致,从后台获取升级程序下载到内部FLASH,然后自动升级。
© 版权声明
文章版权归作者所有,未经允许请勿转载。
THE END
喜欢就支持以下吧
